Product Summary
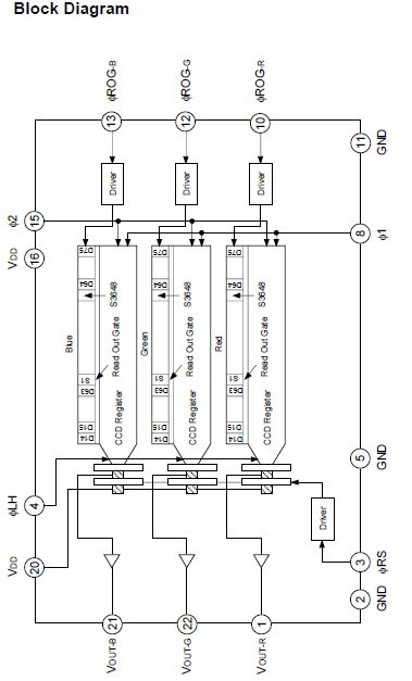
The ILX516K is a reduction type CCD linear sensor developed for color image scanner. This sensor reads legal-size documents at a density of 400 DPI.
Parametrics
Absolute Maximum Ratings: (1)Supply voltage VDD: 15 V; (2)Operating temperature: –10 to +55℃; (3)Storage temperature: –30 to +80℃.
Features
Features: (1)Number of effective pixels:10944 pixels (3648 pixels 3); (2)Pixel size: 8μm 8μm (8μm pitch); (3)Distance between line: 64μm (8 Lines); (4)Single-sided readout; (5)Ultra low lag / High sensitivity; (6)Single 12V power supply; (7)Input clock pulse: CMOS 5V drive; (8)Number of output 3 (R, G, B); (9)Package: 22 pin cer-DIP (400 mil).
Diagrams

| Image | Part No | Mfg | Description | ![]() |
Pricing (USD) |
Quantity | ||||
|---|---|---|---|---|---|---|---|---|---|---|
![]() |
![]() ILX516K |
![]() Other |
![]() |
![]() Data Sheet |
![]() Negotiable |
|
||||
| Image | Part No | Mfg | Description | ![]() |
Pricing (USD) |
Quantity | ||||
![]() |
![]() ILX503A |
![]() Other |
![]() |
![]() Data Sheet |
![]() Negotiable |
|
||||
![]() |
![]() ILX505A |
![]() Other |
![]() |
![]() Data Sheet |
![]() Negotiable |
|
||||
![]() |
![]() ILX506 |
![]() Other |
![]() |
![]() Data Sheet |
![]() Negotiable |
|
||||
![]() |
![]() ILX508A |
![]() Other |
![]() |
![]() Data Sheet |
![]() Negotiable |
|
||||
![]() |
![]() ILX510 |
![]() Other |
![]() |
![]() Data Sheet |
![]() Negotiable |
|
||||
![]() |
![]() ILX511 |
![]() Other |
![]() |
![]() Data Sheet |
![]() Negotiable |
|
||||
(China (Mainland))









